GESTIONNAIRE DE BATTERIE CROSSEVEN
Noovi

Noovi
Electricité / Gestion de l'énergie / Gestionnaire de batterie

Référence : TB111

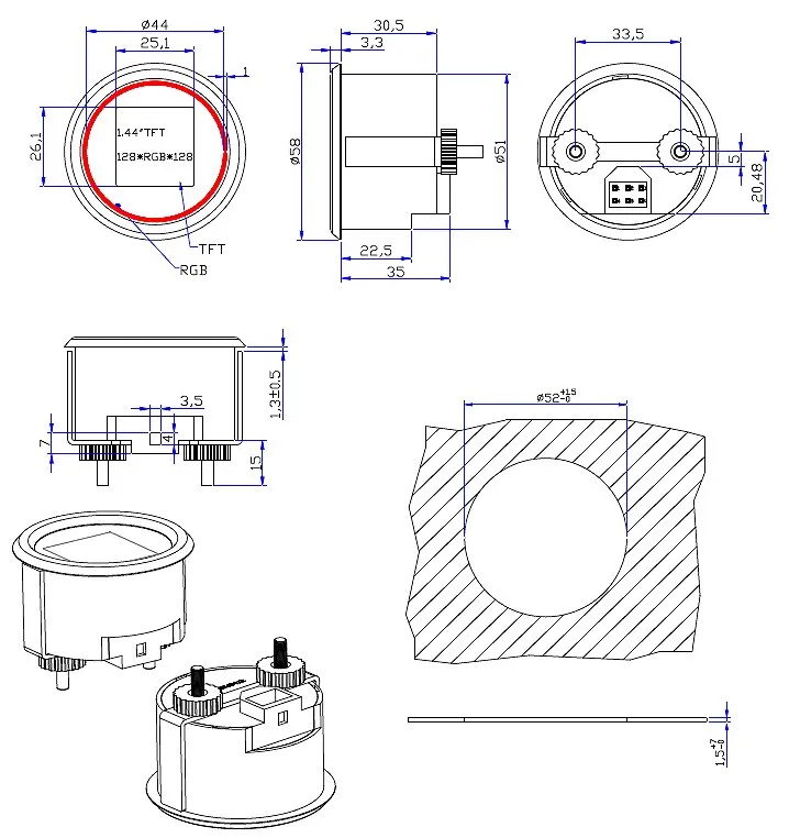
Instrument de bord affichant l’état de charge, la tension, le courant et les codes défauts en temps réel.

Compact, IP65, à écran couleur TFT 1,44", il offre une visualisation claire et rapide des données de la batterie.

Fourni avec un câble de 15m.

Diamètre extérieur 58mm / Diamètre de perçage 52mm

Prix public :
180.11 € TTC
150.09 € HT
Prix public :
180.11 € TTC
150.09 € HT

Diamètre perçage : 52 mm
Diamètre : 58 mm
GESTIONNAIRE DE BATTERIE CROSSEVEN
GESTIONNAIRE DE BATTERIE CROSSEVEN