Référence : CE112
Modèle : 2229470120050A
Pour voilier et bateau à moteur de 15 à 18m, volume jusqu’à 40m³
(moyennes indicatives pouvant varier en fonction des aménagements, des zones de navigation et du type d’isolation).
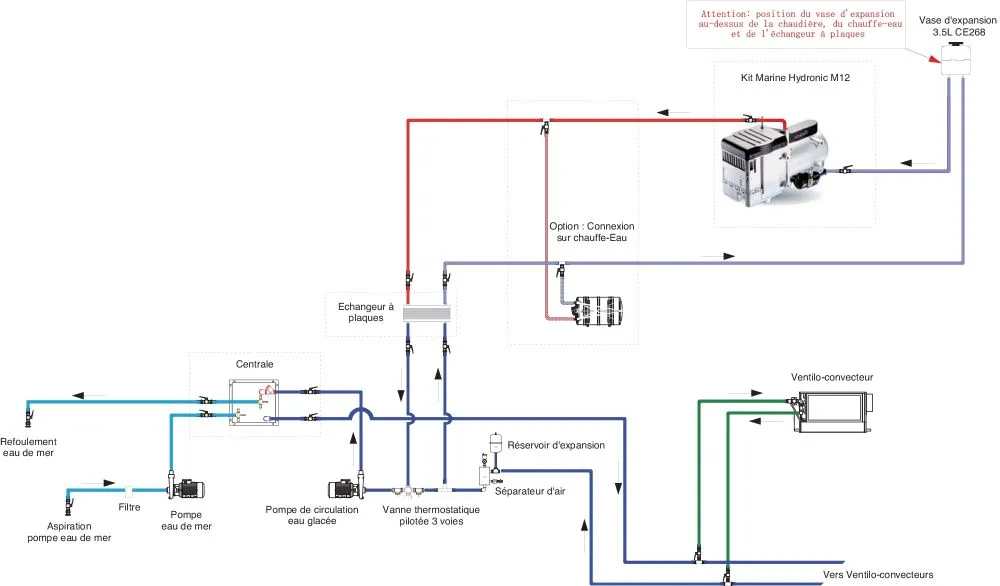
Composition du kit marine :
Une chaudière Hydronic MII avec support, pompe à eau intégrée, pompe GO déportée, tuyauterie GO (6m), tuyau d’aspiration air de combustion (0,5m), ligne d’échappement (2m) pré-montée avec silencieux, passecoque, faisceau électrique, kit fusibles, une commande marche-arrêt, divers accessoires (colliers, vis…)
Fiables, puissants et compacts, les chauffages Hydronic MII vous apportent une chaleur homogène et un confort durable à bord, même par températures très basses. Conçus pour les bateaux de 15 à 18 mètres, ils assurent un chauffage efficace des volumes jusqu’à 40 m³ grâce à un fonctionnement autonome, indépendant du moteur.
- Fonctionnement indépendant du moteur pour un chauffage continu
- Intégration dans le circuit d’eau de refroidissement pour un préchauffage moteur et habitacle
- Puissance adaptée aux grandes unités jusqu’à 18 mètres
- Performances variables selon l’isolation, l’aménagement et la zone de navigation
- Trois puissances disponibles : 8 kW, 10 kW et 12 kW
- Kits complets livrés prêts à poser pour une installation simplifiée
Les + du produit
Chauffage puissant pour grands volumes jusqu’à 40 m³
Double utilité : confort à bord et préchauffage moteur
Large choix de puissances pour s’adapter à chaque configuration
Besoin d’aide pour choisir la puissance adaptée ou préparer votre installation ?
Contactez notre équipe technique, disponible pour vous accompagner.
Conseil : besoin d'une pompe additionnelle pour équilibrer votre circuit hydraulique ? Eberspächer vous propose les modèles CE255 (12V) et CE487 (24V)
4588.68 € TTC
4588.68 € TTC
| Modèle : | Hydronic MII D12W |
|---|---|
| Tension : | 12 V |
| Puissance calorifique : | 1200W - 1500W - 3500W - 8000W - 9500W - 12000W |
| Puissance absorbée : | 32W - 34W - 35W - 39W - 46W - 86W - 132W |
| Consommation de carburant : | 0,15 - 0,18 - 0,40 - 0,65 - 1,20 - 1,5 L/H |
| Débit d'eau : | 1400 L/H |
| Largeur : | 138 mm |
| Longueur : | 352 mm |
| Hauteur : | 236 mm |
| Poids : | 6,2 kg |
| Consommation maximum : | 132 W |
Prix public :
70.58 € TTC - 58.82 € HT
CA601
Kit alimentation GO chauffage
Kit ISO7840 (uniquement nécessaire si tout ou une partie de l...
Prix public :
233.87 € TTC - 194.89 € HT
Prix public :
482.39 € TTC - 401.99 € HT
LIMITES DE RESPONSABILITE :
Les fichiers sont téléchargeables librement
Cependant, en cas d’utilisation sur un projet, vous devez contacter le chef produit concerné pour s’assurer que la version téléchargée est bien la dernière à jour et que le produit retenu correspond bien aux attentes.
Prix public :
4587.42 € TTC - 3822.85 € HT
Prix public :
4666.2 € TTC - 3888.5 € HT
Prix public :
3890.51 € TTC - 3242.09 € HT
Prix public :
3599.29 € TTC - 2999.41 € HT
Prix public :
4391.1 € TTC - 3659.25 € HT
Prix public :
4588.68 € TTC - 3823.9 € HT